Examples of installation & Application

Initial Torque
Although armatures, rotors, and brake faces are machined or even lapped as flat as possible at manufacture, peaks and valleys remain on the surfaces. When a new clutch or brake engages, the contact area is initially confined to the peaks on the mating surfaces. This smaller contact area means torque can be as much as 50%~70% less than the unit’s static torque rating.
To get the full torque, users need to burnish mating surfaces. Burnishing cycles the unit, letting those initial peaks wear down so there is more surface contact between the mating faces. These cycles depending on the amount of torque required, should be lower in inertia, speed, or both, than the end application. Normal operations wear down contact surfaces as burnishing does. Every time a clutch or brake engages during rotation, a certain amount of energy is transferred as heat, please also note that the heat can not be higher than 80℃.
Dry clutch and driver can be used to drive and disengage machines, to transfer speeds and directions and for other application including.
Packing and wrapping systems: packing machines, strapping machines, wrapping machinery.
Textile machinery: fiber twister, treatment machines, weaving machines.
Metal finishing systems: extruders, wire stretchers, presses, welders, steel wire retractors, cutters, pipe makers, wire winding machines.
Machine tool systems: lathes, millers, steel extruders, CNC lathes, specialized machinery.
Transportation equipment: hoists, feeders, conveyors rollers, winders.
Paper-making systems: bag-making machines, box-making machines, slitters, book-making machinery, cutters, copy paper machines.
Printing systems: conveyors and in-feeders.
Wood-working systems: saws, wood-working machines, laminators.
Office equipment: electronic copy mahines, calculators, fax machines, coin counters, printers.
Testing system: lab machines, durability testers, measuring systems.
Food processing systems: meat cutting machines, cookie making machines, canning machines, noodle making machines.
Others: speed reducers, electroplating machinery, physics and chemistry machines, paper-machines, pulp processing machines.
Applications

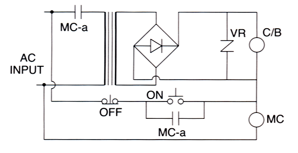
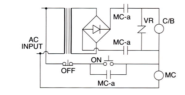
Basic Control Circuit
When the coils in the clutch and driver are energized with direct current a certain level of energy is stored in the coils. When the current is cut the accumulated energy will create a negative voltage. between the terminals of the coils. This negative voltage may be 1000V or more depending on the speed and timing of the cut-off. This could result in damage to the coil or the switch contacts, and protective circuits are built in to prevent this possibility.
Resistors and diodes

These help to lower power consumption and resistance capacity. They may cause slight delays when the armature is released, a point which should be kept in mind in high-frequency applications.
Resistors and capacitors

Capacitors with high voltage resistance are needed to speed the release of the armature.
Surge buffer

Offers firm control of surge currents to avoid delays.
Diodes

Offer good control of surges but may result in delayed release of armature, and can cause conflicts between the clutch and the brake. Not suitable for high frequency applications.
Basic Control Circuit 2

Magnetic relay contacts are on the DC side, so standard load capacity should be in the range of 10A
The basic control circuit for clutch and brake consists of a transformer, rectifier, surge protector and switch. The circuit in figure 18 is widely used in clutch designs. Magnetic relays a and b are for switches. To ensure that the clutch and driver remain off it will be necessary to add another control switch.
The magnetic clutch is a critical component in any machine, and it must be carefully adjusted to fit the rest the system. Thus the following points should be carefully monitored during operation:
Location
Installation machinery- Consult JIS 04701 h6 or js6 guidelines in accordance with clutch and brake shaft lengths
- Use one of the guidelines in JIS B1301*1959 regarding installation of the key. Also, the length of the key should be in line with specification charts L and N.
- Check heating and other factors; the thrust duct of the installed shaft should be within 0.2mm.
- Consult JIS B0401 H7 H7 for specifications regarding installation of the clutch flange and brake yoke.
- Free-turning installation of armatures at several points on the shaft of the clutch.
- At this time, ensure that rotor and flange are tightly in place on the long shaft. In addition, the porion of the machinery used to install the flange must be precisely at a right angle.
- Use 7T or better quality bolts and nuts for the flange in accordance with JIS B 1180.
- Lay out conveyor belts so that the load is higher than the bearings.
- Install driving side and driven side on the two ends of the shaft to form a single piece.
- The rotor and saline wheel hub are installed on the long shaft using a retaining band, installation screws and a metal plate with two holes;assembly must be tight. Check the centering and angles of the two shafts.
- Use lock nuts, the retaining band and safety screws to hold the spline wheel hub in place along the long shaft. Ensure that everything is tight. Check the centering and angles of the yoke installation face and the shaft.
- Leave an air relief passage of 6~ to 10~ to allow dust from friction to dissipate.
- Install a dust guard to keep friction-generated debris out of the bearing linings (felt strips and rubber rotators)
- During installation adjust the drew space above the machinery to + / - 20% of specifications.
- Use a hoist to lighten the load of the machinery and avoid pressure on the clutch bearing.
- Use spring clips and glue wherever needed with screws and blots to prevent loose connections.
- Utilize the frames on the sides of the machinery to hold lead ire, and use the terminal box to ensure good connections.
Other